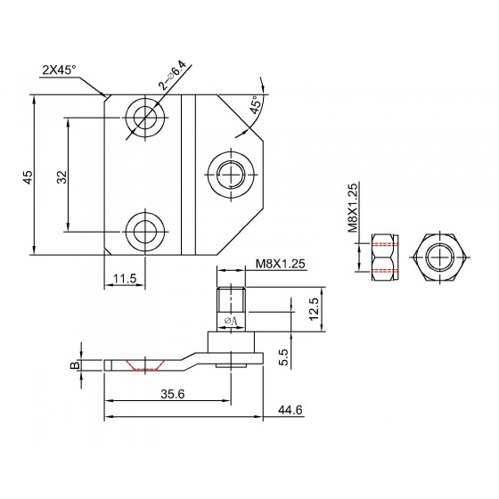
Unit:mm
| Model No. | Bolt or Ball ( ∅A ) |
Thickness ( B ) |
Bolt or Ball Material | Plate Material | Surface Treatment | Weight (g) |
| BKT-B12 BLACK COATED | 8 | 3 | 12L14 | P-O | Black Coated | |
| BKTS-B12 SUS304 | SUS303 | SUS304 | Vibratory Grinding |
Office:No. 6, Ln. 151, Minsheng St., Sanxia Dist., New Taipei City 237, Taiwan (R.O.C.)
Factory 1:No. 6, Aly. 7, Ln. 44, Zhonghua Rd., Sanxia Dist., New Taipei City 237, Taiwan (R.O.C.)
Factory 2:No. 56, Ln. 673, Jianxing Rd., Longtan Dist., Taoyuan City 325, Taiwan (R.O.C.)




