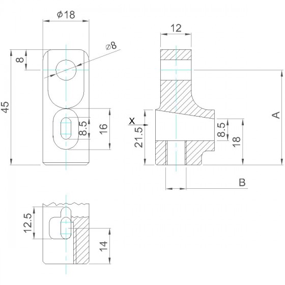
Unit:mm
| Part No. | Hole Center To End (A) |
Thread (B) |
Hole Dia. | Material |
| STDE-ACC-BOL-1516CC | 37 | M8X1.0 | Ø8 | Alloy Die Casting |
| STDE-ACC-BOL-271985 | 37 | M10X1.0 | Ø8 | Alloy Die Casting |
1.The release head has two functions. In addition to be used as start switch, it can also be turned into a release type by pulling the handle side, which can keep the state in a freely retractable.
2.PN: STDE-ACC-BOL-0516CC Suit for: BOLOBT gas spring series needs to be used with Release lever.
3.PN: STDE-ACC-BOL-271985 Suit for : BOL gas spring series、 BOL-T gas spring series needs to be used with Release lever.
Office:No. 6, Ln. 151, Minsheng St., Sanxia Dist., New Taipei City 237, Taiwan (R.O.C.)
Factory 1:No. 6, Aly. 7, Ln. 44, Zhonghua Rd., Sanxia Dist., New Taipei City 237, Taiwan (R.O.C.)
Factory 2:No. 56, Ln. 673, Jianxing Rd., Longtan Dist., Taoyuan City 325, Taiwan (R.O.C.)




