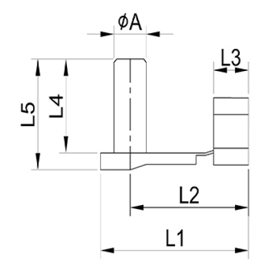
Unit:mm
| Model No. | ∅A | L1 | L2 | L3 | L4 | L5 | Material | Surface Treatment | Weight (g) |
| U5 LOCKING CLIP | 6 | 27.5 | 22 | 6.5 | 14 | 16.5 | 12L14 | White Zinc Plated | |
| U6 LOCKING CLIP | 8 | 36 | 29.8 | 8 | 19 | 21.8 | |||
| U7 LOCKING CLIP | 10 | 45 | 38 | 10 | 23 | 26 |
Office:No. 6, Ln. 151, Minsheng St., Sanxia Dist., New Taipei City 237, Taiwan (R.O.C.)
Factory 1:No. 6, Aly. 7, Ln. 44, Zhonghua Rd., Sanxia Dist., New Taipei City 237, Taiwan (R.O.C.)
Factory 2:No. 56, Ln. 673, Jianxing Rd., Longtan Dist., Taoyuan City 325, Taiwan (R.O.C.)




