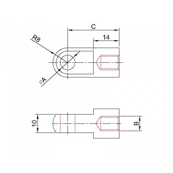
Unit: mm
| Model No. | Hole Dia ( ∅A ) | Thread ( B ) |
Hole Center To End ( C ) | Material | Surface Treatment | Weight (g) |
| L8SM8 SUS303 | 10 | M8X1.25 | 25 | SUS303 | Vibratory Grinding | |
| L8SM10 SUS303 | M10X1.5 |
Office:No. 6, Ln. 151, Minsheng St., Sanxia Dist., New Taipei City 237, Taiwan (R.O.C.)
Factory 1:No. 6, Aly. 7, Ln. 44, Zhonghua Rd., Sanxia Dist., New Taipei City 237, Taiwan (R.O.C.)
Factory 2:No. 56, Ln. 673, Jianxing Rd., Longtan Dist., Taoyuan City 325, Taiwan (R.O.C.)




