
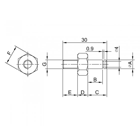
suitable for thick 10~12mm and dia. 8mm gas spring connection
Unit:mm
| Model No. | BOLT Dia( A ) | B | C | D | E | F | Thread ( G ) | Material | Surface Treatment | Weight (g) |
| SW6412 ZINC | ∅6 | 10 | 13 | 7 | 10 | 13 | M6X1.0 | 12L14 | White Zinc Plated |
Office:No. 6, Ln. 151, Minsheng St., Sanxia Dist., New Taipei City 237, Taiwan (R.O.C.)
Factory 1:No. 6, Aly. 7, Ln. 44, Zhonghua Rd., Sanxia Dist., New Taipei City 237, Taiwan (R.O.C.)
Factory 2:No. 56, Ln. 673, Jianxing Rd., Longtan Dist., Taoyuan City 325, Taiwan (R.O.C.)




