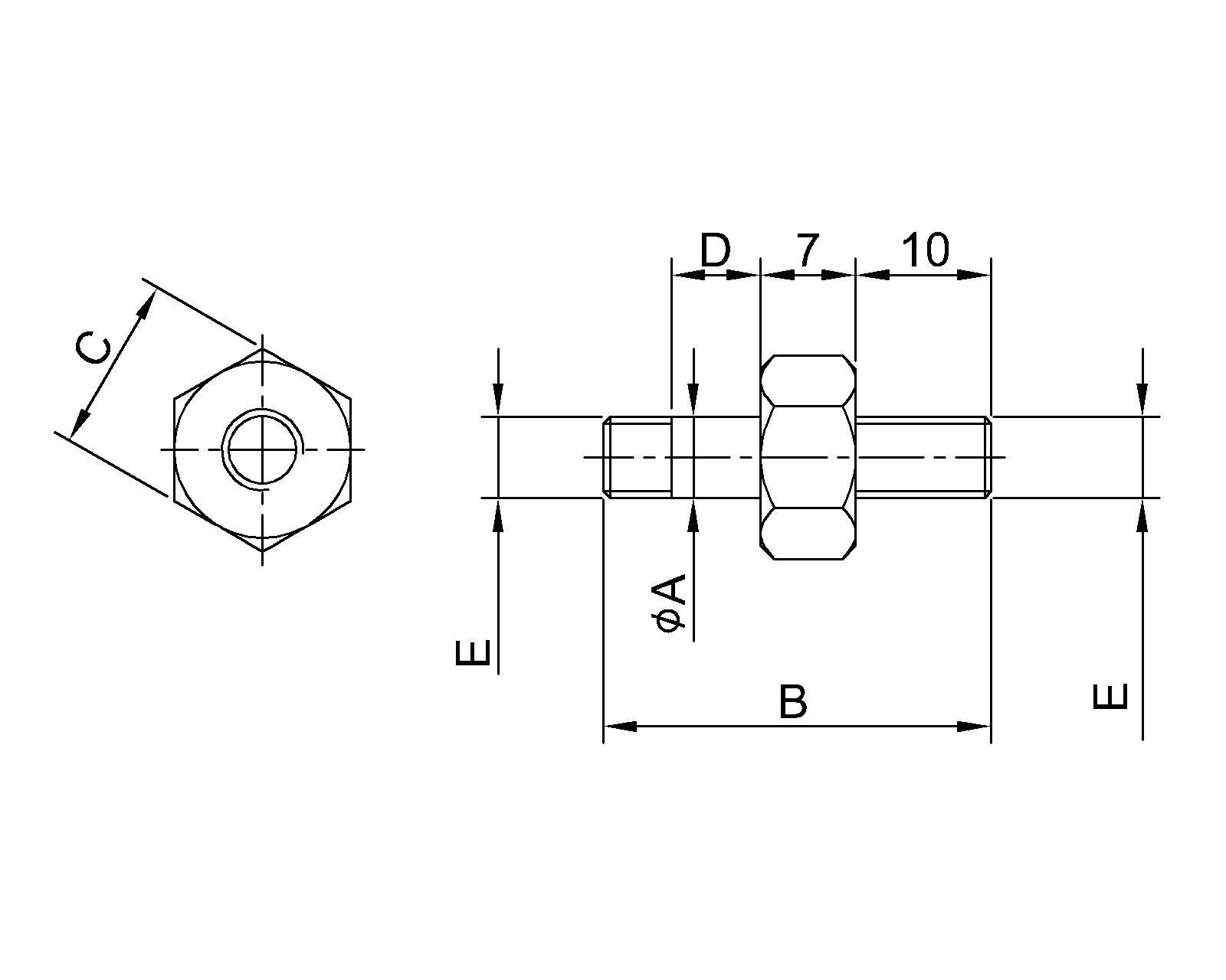
suitable for thick 10~12mm and dia. 8mm gas spring connection
Unit:mm
| Model No. | BOLT Dia( A ) | B | C | D | Thread ( E ) | Material | Surface Treatment | Weight (g) |
| SWS6412A-L1 | ∅6 | 28.6 | 13 | 6.6 | M6X1.0 | SUS303 | Vibratory Grinding | |
| SWS6412B | ∅8 | 29.5 | 13 | 5.5 | M8X1.25 | |||
| SWS6412C | 34.5 | 13 | 10.5 |
SUPERSEN have developed new GAS SPRING connecting part and the part No. is SW6412X.
The material of SW6412X is stainless, and it principally collocates with SUPERSEN stainless steel gas spring; they used in humid environments, particularly in yacht, ship-building inustry, outdoor building and so on.
Inquiry are welcome.
Office:No. 6, Ln. 151, Minsheng St., Sanxia Dist., New Taipei City 237, Taiwan (R.O.C.)
Factory 1:No. 6, Aly. 7, Ln. 44, Zhonghua Rd., Sanxia Dist., New Taipei City 237, Taiwan (R.O.C.)
Factory 2:No. 56, Ln. 673, Jianxing Rd., Longtan Dist., Taoyuan City 325, Taiwan (R.O.C.)




