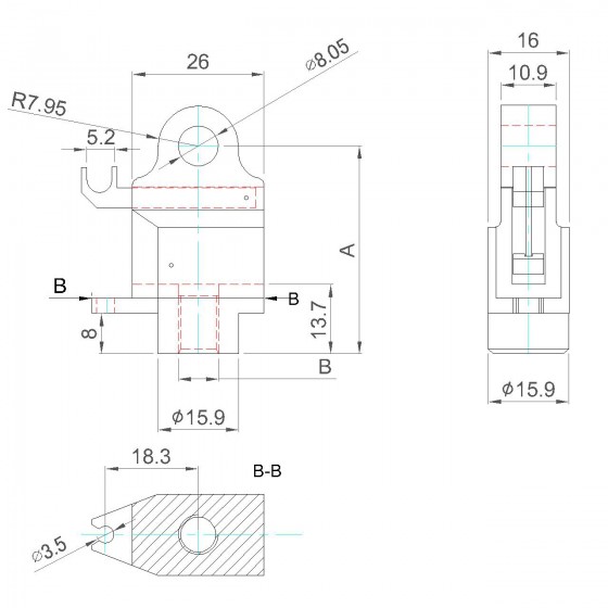
單位:mm
| 型號 | 底部至中心距離 (A) |
螺牙規格 |
孔徑 | 材質 |
| STDE-ACC-BOL-074574 | 41 | M8X1.0 | Ø8 | 壓鑄合金 |
| STDE-ACC-BOL-112485 | 41 | M10X1.0 | Ø8 | 壓鑄合金 |
我司因應新產品定位型氮氣缸等系列產品,於2020年2月向德國STABILUS引進定位型氮氣缸專用配件,以方便客戶在選購定位型氮氣缸時,可以有更多的相關組合。
1.PN: STDE-ACC-BOL-074574 適用於 軸心8mm 管徑22mm 的 BOL-OBT系列氣壓棒。
2.PN: STDE-ACC-BOL-112485 適用於 軸心10mm 管徑28mm 的 BOL & BOL-T 等系列氣壓棒。
3.該接頭可使用氣壓棒最大壓力值為1000N。
4.可搭配使用各種定位型氮氣缸-按鈕控制器,形成完整的控制機構,方便客戶設計使用。




