
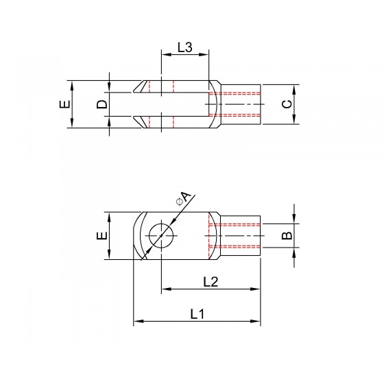
| 型號 | 孔徑 ( ∅A ) |
螺牙規格 ( B ) |
C | D | E | L1 | L2 | L3 | 材質 | 表面處理 | 產品淨重 (g) |
| U3 FORK ZINC | 5 | M5X0.8 | 9 | 5 | 10 | 26 | 20 | 10 | 12L14 | 鍍白鋅 | |
| U5 FORK ZINC | 6 | M6X1.0 | 10 | 6 | 12 | 32 | 25 | 12 | |||
| U6 FORK ZINC | 8 | M8X1.25 | 14 | 8 | 16 | 42 | 32 | 16 | |||
| U7 FORK ZINC | 10 | M8X1.25 | 17 | 10 | 19 | 52 | 40 | 20.5 | |||
| U8 FORK ZINC | 14 | M14X1.5 | 24 | 14 | 27 | 72 | 56 | 28 |




