中
|
EN
0
公司簡介
公司簡介
公司影片
產品介紹
STABILUS自由型氮氣缸
自由型-碳鋼氮氣缸
04X12 碳鋼系列
04mm x 12mm (10N~80N)進入選取接頭類型
06X15 碳鋼系列
06mm x 15mm (50N~400N) 請點入選擇搭配接頭類型
08X18 碳鋼系列
08mm x 18mm (100N~700N) 請點入選擇搭配接頭類型
10X22 碳鋼系列
10mm x 22mm (100N~1150N) 請點入選擇搭配接頭類型
14X28 碳鋼系列
14mm x 28mm (300N~2500N) 請點入選擇搭配接頭類型
20X40 碳鋼系列
20mm x 40mm (600N~5000N) 請點入選擇搭配接頭類型
自由型-白鐵氮氣缸
04X12 白鐵系列
04mm x 12mm (10N~80N) 請點入選擇搭配接頭類型
06X15 白鐵系列
06mm x 15mm (50N~300N) 請點入選擇搭配接頭類型
08X18 白鐵系列
08mm x 18mm (100N~650N) 請點入選擇搭配接頭類型
10X22 白鐵系列
10mm x 22mm (100N~1000N) 請點入選擇搭配接頭類型
14X28 白鐵系列
14mm x 28mm (300N~2500N) 請點入選擇搭配接頭類型
自由型-動態阻尼氮氣缸
06X15 動態阻尼-DD1
06mm x 15mm (50N~300N) 請點入選擇搭配接頭類型
08X19 動態阻尼-DD2
08mm x 19mm (100N~600N) 請點入選擇搭配接頭類型
10X22 動態阻尼-DD3
10mm x 22mm (100N~850N) 請點入選擇搭配接頭類型
自由型-安全套管氮氣缸
08X18 安全套管
08mm x 18mm (100N~650N) 請點入選擇搭配接頭類型
10X22 安全套管
10mm x 22mm (100N~1150N) 請點入選擇搭配接頭類型
自由型-白鐵安全套管氮氣缸
08X18 白鐵安全套管
08mm x 18mm (100N~650N) 請點入選擇搭配接頭類型
10X22白鐵安全套管
10mm x 22mm (100N~1200N)進入選取接頭類型
自由型-壓縮鎖定氮氣缸
08X22 壓縮鎖定
08mm x 22mm 壓縮鎖定PTL (100N~400N) 請點入選擇搭配接頭類型
STABILUS定位型氮氣缸
定位型-氮氣缸
10X28 定位型
10mm x 28mm 剛性鎖定型 (150N~350N) 請點入選擇搭配接頭類型
10mm x 28mm 彈性鎖定型 (200N~1200N) 請點入選擇搭配接頭類型
定位型-桌用氮氣缸-BOLT
10X28 定位型-BOLT氮氣缸
10mm x 28mm BOL-T 請點入選擇搭配接頭類型
定位型-氮氣缸-BOL-OBT
08X22定位型
08mm x 22mm BOL-OBT (100N~400N) 請點入選擇搭配接頭類型
定位型氮氣缸專用配件
STABILUS拉力型氮氣缸
06X19 拉力氮氣缸
06mm x 19mm (50N~350N) 請點入選擇搭配接頭類型
10X28 拉力氮氣缸
10mm x 28mm (150N~1200N) 請點入選擇搭配接頭類型
STABILUS油壓型阻尼棒
油壓阻尼棒-壓縮方向阻尼
06X15 壓縮阻尼-HD15C
06mm x 15mm (標準阻尼) 請點入選擇搭配接頭類型
08X18 壓縮阻尼-HD18C
08mm x 18mm (標準阻尼) 請點入選擇搭配接頭類型
10X24 壓縮阻尼-HD24C
10mm x 24mm (標準阻尼) 請點入選擇搭配接頭類型
油壓阻尼棒-拉伸方向阻尼
06X15 拉伸阻尼-HD15E
06mm x 15mm (標準阻尼) 請點入選擇搭配接頭類型
08X18 拉伸阻尼-HD18E
08mm x 18mm (標準阻尼) 請點入選擇搭配接頭類型
10X24 拉伸阻尼-HD24E
10mm x 24mm (標準阻尼) 請點入選擇搭配接頭類型
STABILUS傢俱用氮氣缸
STABILUS車輛用氮氣缸
STABILUSE工業電動撐桿
氮氣缸沖壓配件
氮氣缸用連接頭
氮氣缸專用螺栓
氮氣缸附屬零件
新品及專利發表
產品技術資料
氮氣缸應用範例
如何選用氮氣缸?
氮氣缸應力圖量測介紹
氮氣缸簡易壓力計算範例
氮氣缸安裝保固注意事項
客戶安裝實例
產品測試報告
配件拉力測試報告
氮氣缸鹽霧測試報告
ROHS 報告
琥盛企業認證
特規品詢價單
徵求合作供應商
聯絡我們
新 聞
氮氣缸用連接頭
首 頁
氮氣缸用連接頭
U型 鐵夾片
U型 鐵夾片
繼續選購
立即詢價
產品詳細介紹
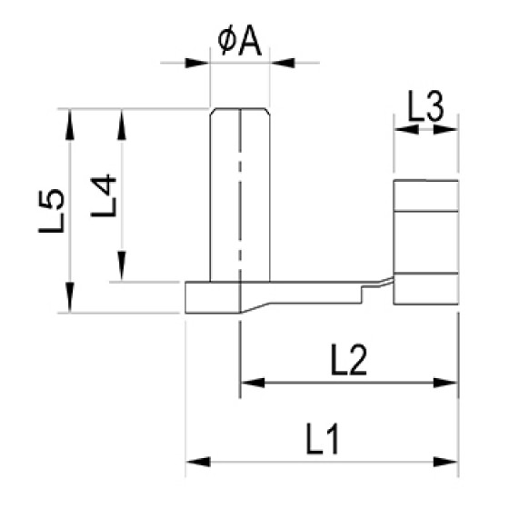
單位:mm
型號
∅A
L1
L2
L3
L4
L5
材質
表面處理
產品淨重 (g)
U5 LOCKING CLIP
6
27.5
22
6.5
14
16.5
12L14
鍍白鋅
U6 LOCKING CLIP
8
36
29.8
8
19
21.8
U7 LOCKING CLIP
10
45
38
10
23
26
氮氣缸,氮氣彈簧
·
氣壓撐桿,尾門桿
·
氣壓棒,油壓棒
琥盛企業有限公司 版權所有 ©Copyright 2022.All Rights Reserved.
瀏覽人數:1592019